您好,欢迎来到中国纤维素行业协会 !
会员登录
|
快速注册
|
联系我们
网站首页
关于我们
协会简介
协会章程
组织架构
理事会
专家团队
分会组成
社团登记证书
行规行约
联系我们
招聘信息
行业新闻
协会新闻
市场观察
协会大事
党建天地
党纪教育
学习园地
活动宣传
会员专享
修改密码
报表填报
工作简报
中国纤维素
统计数据
每周快讯
通知公告
协会通知
重要提示
协会公告
法律法规
政策法规
社团管理
安全法规
环保法规
质量管理
技术标准
国家标准
行业标准
团体标准
专利技术
技术交流
产品应用
专题研究
科技进步
行业培训
产品研发
会员动态
会员风采
会员活动
会员留言
入会指南
入会须知
入会流程
入会资料
账户申请
技术标准
STANDARD
国家标准
行业标准
团体标准
专利技术
团体标准
当前位置:
首页
/
技术标准
/
团体标准
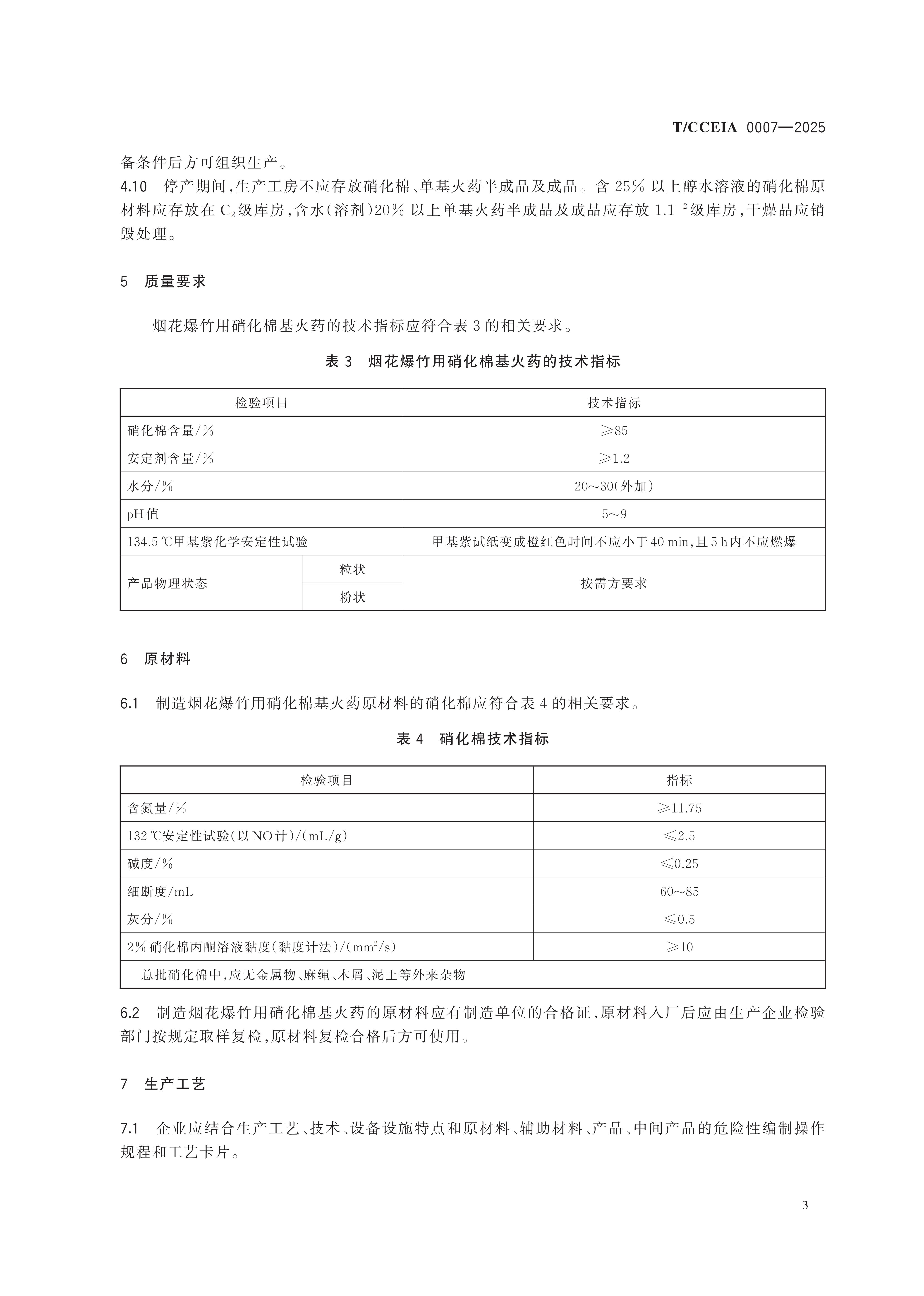
团体标准《烟花爆竹用硝化棉基火药生产安全 技术条件》正式发布
2025-12-17
分享到:
中国纤维素行业协会
2815次浏览
TCCEIA 007-2025 烟花爆竹用硝化棉基火药生产安全技术条件(付印样).pdf
上一篇
下一篇
地址:北京市海淀区紫竹院路81号3号楼北方地产大厦11层
电话:010-88829728
E-MAIL:ccia@cncia.com.cn
京ICP备13043948
京公网安备11010802014359号 © 2021 cncia.com.cn 中国纤维素行业协会·版权所有